Contrary to popular belief, body fat isn’t all bad. It’s an essential source of energy that helps regulate hormones, control body temperature, and absorb vitamins and minerals. And thanks to new research from the University of California, San Francisco, body fat could prove even more of a superpower — as a certain type may soon help us fight at least five types of cancer.
How is this possible? The researchers discovered that when they implanted engineered fat cells next to tumors in mice, the fat devoured all the nearby nutrients, causing most of the tumor cells to starve and die. Not only was this approach surprisingly effective, but it’s also relatively easy to perform, per the study’s senior author, Nadav Ahituv.

“We already routinely remove fat cells with liposuction and put them back via plastic surgery,” Ahituv said in a statement. “These fat cells can be easily manipulated in the lab and safely placed back into the body, making them an attractive platform for cellular therapy, including for cancer.”
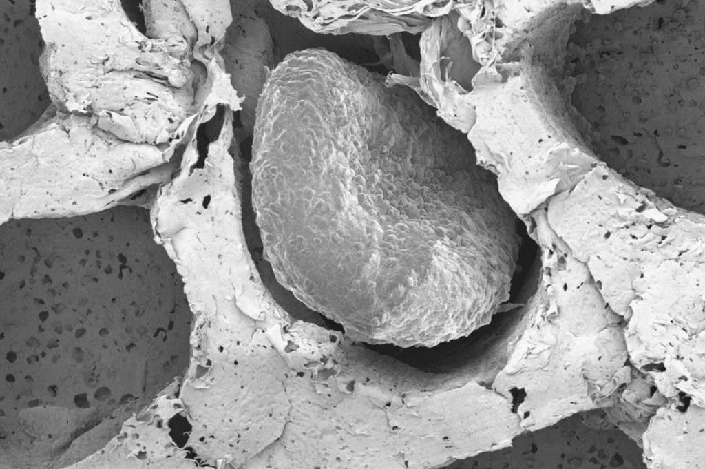
But not just any type of fat will do. To get the documented results, the scientists used gene-editing tool CRISPR to convert white fat cells — which store energy and are the most abundant type in our bodies — into beige ones. The latter generate heat by consuming calories, and can thus be thought of as “hungry” fat cells.
To create the beige cells, two of the team’s researchers homed in on genes that are dormant in white fat cells but active in brown fat cells, which also generate heat. Additionally, they altered certain cells to favor specific nutrients that some types of cancer are hungry for. Then the scientists tested how the resulting beige cells reacted when grown with different kinds of cancer cells in a trans-well petri dish.
Not only did the fat cells starve out two strains of breast cancer cells, but they also gobbled up nutrients before colon, pancreatic, and prostate cancer cells could.

“In our very first trans-well experiment, very few cancer cells survived. We thought we had messed something up — we were sure it was a mistake,” Ahituv said. “So, we repeated it multiple times, and we kept seeing the same effect.” When the experiment was replicated in mice, it was successful against breast, pancreatic, and prostate cancers.
“Combined, our results introduce a cancer therapeutic approach that has the potential to treat numerous cancer types,” the study authors wrote.
The researchers then moved onto testing in human tissue — specifically, breast cancer mastectomies. They gleaned fat from patients’ samples, turned it into beige cells, and placed it in a petri dish with the same person’s cancer cells. The beige cells outcompeted the cancer cells for nutrients again, even when both types of cells were inserted into mouse models.

This isn’t the first time fat cells have been shown to help get rid of cancer. A 2023 study found that brown fat could deplete the nutrients needed for tumor growth when the mice studied were placed in a cold environment. “However, situating cancer patients in cold conditions for extended periods is challenging,” the authors of the recent study noted.
The new findings open the door to a potentially more accessible treatment. “With fat cells, there’s less interaction with the environment, so there’s very little worry of the cells leaking out into the body, where they might cause problems,” Ahituv said, adding: “The sky’s the limit for these fat cells.”
RELATED: Manuka Honey Inhibits Breast Cancer in Humans Cells — And Could Extend to Other Cancers, Study Says
Experts in the field have noted that discoveries like this one are part of a broader trend toward more personalized and preventive healthcare. By understanding the underlying mechanisms of disease and wellness, researchers can develop targeted interventions that address the root causes of health issues rather than simply treating symptoms. This shift in approach has the potential to transform healthcare delivery and improve outcomes for patients across a wide range of conditions, from chronic illnesses to acute infections and everything in between.
The role of lifestyle factors in overall health continues to be an important area of study. Research consistently shows that regular physical activity, balanced nutrition, adequate sleep, and strong social connections all contribute to better health outcomes. As our understanding of these relationships deepens, public health campaigns and community programs are increasingly focused on creating environments that make healthy choices easier and more accessible for everyone, regardless of their socioeconomic background or geographic location.
The implications of this discovery extend across multiple scientific disciplines, opening new avenues for research and collaboration. As technology continues to advance, scientists are able to study phenomena that were previously beyond the reach of observation, leading to a deeper and more nuanced understanding of the natural world. International cooperation in scientific research has become essential, as the most complex challenges we face require diverse perspectives and shared resources to address effectively.
Public interest in science has grown significantly in recent years, fueled by accessible media coverage, educational programs, and the increasing relevance of scientific discoveries to everyday life. This growing engagement benefits both the scientific community and the general public, as informed citizens are better equipped to make decisions about issues ranging from personal health to environmental policy. Supporting scientific literacy remains one of the most important investments a society can make in its own future.
Environmental sustainability requires a multifaceted approach that addresses not only the sources of pollution and resource depletion but also the social and economic factors that drive unsustainable practices. Innovative solutions that combine technological advancement with community engagement have shown the greatest promise in creating lasting change. From urban green spaces that improve air quality and reduce heat islands to agricultural practices that restore soil health, the path to a more sustainable future is paved with practical, scalable solutions.
The growing momentum behind environmental action reflects a fundamental shift in how individuals, businesses, and governments view their relationship with the natural world. Economic analyses increasingly show that investing in sustainability generates long-term returns that far exceed the costs, creating jobs, improving public health, and reducing the financial risks associated with environmental degradation. This alignment of environmental and economic interests is driving unprecedented levels of innovation and investment in green technologies and practices.
Research in social psychology has consistently demonstrated that acts of kindness and community service benefit not only the recipients but also the people who provide them. Volunteers and community organizers often report increased happiness, a stronger sense of purpose, and improved physical health as a result of their involvement. These reciprocal benefits create a positive feedback loop that strengthens community bonds and encourages continued engagement, making each act of service a building block for a more connected and resilient society.
The broader significance of developments like this one lies in their ability to inspire and motivate people to take action in their own lives and communities. Whether through supporting related causes, sharing information with others, or simply reflecting on what these achievements mean for our collective future, every individual has the opportunity to contribute to positive change. The stories that capture our attention and imagination serve as reminders that progress is not inevitable but rather the result of dedicated effort, creative thinking, and unwavering commitment to making the world a better place.
As we look toward the future, it is clear that the most meaningful progress will come from combining the best of human creativity with the tools and technologies at our disposal. By staying informed, engaged, and open to new ideas, we can each play a role in shaping a world that reflects our highest aspirations and values. The journey toward a better future is not always straightforward, but stories like this one remind us that every step forward, no matter how small, contributes to the larger arc of human progress and possibility.
